Solární zařízení v Ústavu sociální péče ve Slatiňanech
Monitorování a energetické vyhodnocení za období 1999 až 2001
Článek uvádí výsledky monitorování a energetické vyhodnocení kombinovaného zdroje (sluneční kolektory s tepelným čerpadlem a elektrickým kotlem) při sezónní akumulaci sluneční energie pro vytápění a ohřívání užitkové vody za období 1999 až 2001. Tento zdroj byl se státními podporami (Státního fondu životního prostředí, České energetické agentury a ČEZ) postaven v objektu dílen "Humanita" Ústavu sociální péče pro mládež ve Slatiňanech a uveden do chodu na sklonku léta 1995.
1. POPIS SYSTÉMU
1.1 Funkční schéma a parametry technologických částí zařízení
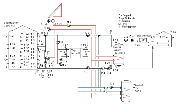
Vícenásobný zdroj energie pro vytápění objektu a ohřívání užitkové vody v Ústavu sociální péče o mládež ve Slatiňanech má tyto hlavní části:
- solární systém (sluneční kolektory a sezónní akumulátor tepla)
- tepelné čerpadlo typu voda-voda
- elektrický odporový kotel
Soustava slunečních kolektorů je nainstalována na sedlové střeše budovy, orientované téměř k jihu s natočením o 10° k západu. Sklon střechy k vodorovné rovině je 37°.
Sluneční kolektory: 84 kusů kolektorů HELIOSTAR H 325 se selektivním povrchem Ni - Al2O3, s čistou absorpční plochou 147,8 m2. Kolektory jsou hydraulicky propojeny do 4 stejných sekcí.
Akumulátor tepla: stojatý, válcový ocelový, průměr 12 m, výška 10 m, užitečný objem 1 103 m3, expansní objem 22 m3. Akumulátor je dvouvrstvě smaltovaný, byl montován na místě z dílů a má kuželové víko. Stojí celým objemem nad zemí na betonovém základu níže popsané konstrukce. Je tepelně izolován rohožemi z vláknité izolace ROCKWOOL. Tloušťka tepelné izolace je 700 mm, je složena z několika vrstev a spočívá na ocelodřevěné konstrukci s 5 mezipatry - výška každého je 2 m. Tepelná izolace má vnitřní i vnější reflexní vrstvu a deklarovanou tepelnou vodivost λ = 0,035 W/mK. Výsledky zjištěné při provozu odpovídají provozní tepelné vodivosti tepelné izolace 0,045 W/mK. Víko akumulátoru je izolováno stejně jako válcová část. Ocelové dno akumulátoru je chráněno antikorozním nátěrem ANTICON a je usazeno na železobetonové desce tl. 200 mm, pod kterou je tepelně izolační vrstva perlitového betonu PTB 500 tlustá 0,5m s tepelnou vodivostí 0,19 W/mK, následuje izolační vrstva z PVC proti vodě, betonová mazanina B 10 tlustá 50 mm s tepelnou vodivostí 1,45 W/mK a úplně vespod štěrkopískový polštář tl. 0,3 m s tepelnou vodivostí 1,6 W/mK. Celkový součinitel prostupu tepla dnem zásobníku a základovou konstrukcí přes zeminu opět do vzduchu je k = 0,346 W/m2K.
Tepelné čerpadlo: zn. CARRIER - DELCHI (italské výroby dle licence USA), jmenovitý výkon 37 kW při vstupní teplotě vody do výparníku 18 °C a výstupní teplotě vody z kondenzátoru 44 °C. Náplň R 22, jmenovitý topný faktor za uvedených teplot je 4,0, při teplotě vody 35 °C na výstupu z kondenzátoru je až 4,5.
Elektrický kotel: je sestaven z odporů o celkovém výkonu 37 kW. Za normálních podmínek je mimo provoz. Zapíná se při dlouhotrvajícím chladném počasí, je-li již vybit akumulátor tepla, při poruše tepelného čerpadla a vždy, je-li nutné pokrýt deficit potřeby tepla.
Provozní zásobník tepla (též "nárazníkový akumulátor"): EMMETI 3 x 1 m3. Jeho účelem je snižovat počet startů tepelného čerpadla na jaře v přechodném období, kdy se sezónní akumulátor teprve začíná nabíjet. Solární systém nabíjí přednostně tento provozní zásobník - vzhledem k jeho kapacitě je doba nabíjení krátká.
Zásobníkový ohřívač TUV: EMMETI C3F, objem 1 m3, s teplosměnnou vložkou 3 m2 a s vestavěným elektrickým odporem 2,5 kW. Slouží k přípravě teplé užitkové vody pro objekt dílen. Spotřeba TUV je zde nízká, podíl TUV na celkové bilanci zařízení je téměř zanedbatelný.
Výměník tepla mezi primárním a sekundárním okruhem: deskový výměník ST 12 s 96 deskami z nerezavějící austenitické oceli. Výrobce TENEZ - Chotěbořské strojírny. Odděluje tlakově i hydraulicky primární okruh (v obr. 1 silnou čarou) solárních kolektorů, plněný nemrznoucí směsí SOLAREN, od sekundárních okruhů a akumulátoru tepla, plněných neupravenou vodovodní vodou (v obr. 1 vše kresleno slabými čarami).
Otopná soustava: podlahové vytápění s vytápěnou plochou 1020 m2. Trubky jsou z tuzemského rozvětveného polyetylenu, tepelná izolace z pěnového polystyrenu tl. 50 mm v přízemí a 30 mm v patře, ev. v podkroví. Celková délka topných smyček je asi 5000 m. Smyčky (trubky) jsou vyvázány k ocelové síti KARI a zality betonem. Rozdělovače topných smyček jsou z nerez oceli.
Oběhová čerpadla:
Č 1 - čerpadlo v primárním okruhu s nemrznoucí směsí - SIGMA 50 NTV- 74-13-LM 00,02 TF 110, 2800 ot/min, 285 až 390 W, Y = 42/40 J/kg, V = 2,9 až 3,2 dm3/s.
Č 2 - oběhové čerpadlo přiřazené na sekundární stranu výměníku tepla - SIGMA 50-NTV-60-11-LM 50, Y = 22/25 J/kg, 200 W.
Č 3 - čerpadlo zajišťující průtok vody výparníkem tepelného čerpadla. Původní čerpadlo SIGMA bylo po poškození vyměněno za GRUNDFOS typ CH 8-20-A-A-CVBV, model 8 4N 558010 P-29604, PN 6 až 10, 90 °C, dopravní výška H = 12 až 19 m, V = 8 m3/h (2,222 dm3/s), příkon 720 W.
Č 4 - čerpadlo v přípojce provozního zásobníku - SIGMA NTV-60-6-LM-80, TF 120, V = 1,5 až 1,15 dm3/s, Y = 21,2 až 17 J/kg, 2750/2200 ot/min, 92/75 W.
Č 5 - čerpadlo v přípojce otopné soustavy - SIGMA 50-NTV-74-13-LM 00, TF 110, 2800 ot/min, 290/390 W, Y=42 J/kg, V = 3,2 dm3/s.

Obr. 1: Schéma zapojení soustavy
Průtokoměry:
P 1 - SONTEX průtokoměr v primárním okruhu slunečních kolektorů. Je to vrtulkový přístroj s indukčním výstupem a litinovým tělesem DN 40, PN 16, pro průtoky do 160 m3/h, specielní provedení do svislého potrubí. Není zapojen do monitorovacího systému, display se vyvolává ručně.
P 2 - litinový vrtulkový vodoměr s indukčním výstupem DN 32 do vodorovného potrubí. Měří průtok sekundární stranou výměníku tepla.
P 3 - průtokoměr stejného uspořádání a velikosti jako P 2. Jeho umístění je problematické, takže jeho údaje nejsou při vztažném teplotním rozdílu t18 - t17 pro vyhodnocení použitelné. Montážní firma Budíček doporučuje pro vyhodnocení tepla přečerpaného TČ použít údaj průtokoměru P 3 násobený teplotním rozdílem t13 - t17. Protože však klapka M 3 nemůže být těsná (byla vyměněna za průchozí T-kus), nebyl ani tento náhradní způsob pro vyhodnocení používán. Skutečný průtok výparníkem tepelného čerpadla není dnes možno ověřit.
P 4 - průtokoměr stejného uspořádání a velikosti jako P 2. Měří průtok provozním akumulátorem na straně přísunu tepla.
P 5 - litinový vrtulkový průtokoměr s indukčním výstupem, ve vodorovném potrubí, velikost DN 40. Měří celkový průtok podlahovou otopnou soustavou. Jeho údaj je rozhodující pro stanovení konečné spotřeby tepla na vytápění.
Trojcestné klapky a ventily:
M 1 - klapka s ručním ovládáním, typ MIX DN 40, PN 6
M 2 - klapka MIX AP DN 40 se servopohonem
M 3 - původní klapka MIX AP DN 40 se servopohonem již byla vyměněna za průchozí T-kus. Krátký úsek potrubí od K 2 až k TČ, původně z nerez oceli, je nyní z plastu.
M 4 - klapka MIX AP DN 50, PN 6 se servopohonem, v nerez potrubí DN 50.
K 1, K 2, K 3 - trojcestné klapky BELIMO DN 40 se servomotorem SM 24 (220 V), celé z nerezu, v nerez potrubí 44,5x2.
Materiál potrubí:
- primární okruh slunečních kolektorů: černé ocelové trubky DN 40, PN 40.
- sekundární okruhy ve strojovně vesměs z trubek z nerez oceli, DN 40 (44,5 x 2 mm), připojení provozních akumulátorů a ohřívače TUV měděnými trubkami a již zmíněný krátký úsek z plastu.
1.2 Popis řízení a monitorování
Jak vyplývá z obr. 1, monitoruje se 53 teplot, 5 průtoků (z toho 3 použitelné), logické stavy 5 čerpadel, elektrokotle a tepelného čerpadla. Protože jsou hodnoty načítány v krátkých intervalech, jde např. v průběhu 1 měsíce o značná množství dat, jejichž zpracování není snadné již také vzhledem k tomu, že data zatím nelze dálkově přenášet, ale je nutno pro ně dojet na místo. Konkrétně se za měsíc sejme 78 sloupců dat po 38 000 řádcích, což představuje téměř 3 miliony dat za měsíc a za v této zprávě vyhodnocených 38 měsíců (listopad 98 až prosinec 01) to bylo více než 125 milionů dat.
Z dovezených dat byly na ČVUT vyhodnoceny čvrthodinové průměry a z nich pak sestaveny měsíční průběhy a měsíční průměrné hodnoty.
Řízení a monitorování je umístěno ve strojovně tepelného čerpadla a elektrického kotle. Řídicím prvkem je průmyslová ústředna TERM 10 KOMPAKT - RS 485 se základním programovým vybavením Term 10 - RETOS a softwarem pro regulaci a vizualizaci na obrazovce. Ústředna řídí a přepíná zdroje a spotřebiče co neoptimálněji, s mezními stavy podle dále uvedeného vývojového diagramu. Stačí-li přímý výkon slunečních kolektorů pokrýt odběr tepla, odebírá se energie přímo z výměníku přes provozní zásobníky, aniž by byl ovlivněn akumulátor. Po začátku topného období je vždy teplota v akumulátoru dost vysoká, aby stačila k přímému vytápění podlahových soustav po dobu až dvou měsíců. Nestačí-li výkon kolektorů, pouští se jejich výkon do akumulátoru a zapne se tepelné čerpadlo, které zpočátku odebírá vodu ze středu akumulátoru. Je-li již akumulátor až do středu vychlazen na nastavenou teplotu (zatím byla 10 °C), odčerpává se teplo z horní části akumulátoru, kde je ještě teplota vyšší. Pokud je akumulátor vyčerpán v celém objemu a solární systém nic nedodává, zapíná se elektrický kotel (to bývá nejvíce v únoru a březnu, kdy jsou u nás většinou také malé zisky ze slunečního záření). Po ukončení topné sezóny se veškeré zisky ze sluneční energie ukládají do akumulátoru, v němž roste teplota až do konce září, kdy je nejvyšší a zároveň začíná topná sezóna.

Obr. 2: Vývojový diagram pro vytápění ÚSP Slatiňany - Sluneční dům
Monitorovací počítač Pentium 266 MHz, 32 MB RAM, 2 GB disk, ZIP Drive. Počítač a ústředna spolu komunikují. Program je v Control Panel s vizualizací na obrazovce. Monitoruje se uvedených 53 teplot, 5 průtoků a také příkony 3 spotřebičů elektřiny (tepelného čerpadla, elektrického kotle a celkový elektrický příkon domu včetně čerpací práce ve zdroji). Teplotní čidla jsou PT 100 se čtyřvodičovým zapojením s kompenzací přívodů. Měřicími elementy jsou autonomní mikromoduly Micro Unit (z Plzně) a jsou přímo u nádrže, aby nemusely být dlouhé přívodní (vyhřívané) kabely. Teplotní čidla T1 až T10, T42 až T47 jsou vně na plášti akumulátoru pod izolací přes měděné křidélko, T48 je vně na povrchu izolace a snímá její povrchovou teplotu. Čidla T32 až T41 jsou uvnitř v ose akumulátoru na nerezové trubce, opět přes měděné křidélko. Vzdálenosti čidel po výšce akumulátoru jsou rovnoměrné po 1 m. Čidla T49 až T53 snímají teplotu zeminy v bezprostřední blízkosti základu akumulátoru. T49, T50 a T51 jsou v hloubce 0,3 m a ve vzdálenosti 0, 1,5 a 3 m od okraje akumulátoru. Čidla T52 a T53 jsou v hloubce 1,5 m pod povrchem, ve stejné vzdálenosti od okraje akumulátoru jako T50 a T51.
2. ENERGETICKÁ BILANCE OBJEKTU PODLE PROJEKTU
Bilanční údaje byly v projektu počítány pro statisticky průměrný rok jak z hlediska průběhu venkovních teplot, tak z hlediska slunečního záření. Energetické zisky ze slunečního záření byly počítány z globální intenzity záření (tedy ze složky přímého a difusního záření dohromady), na základě křivky účinnosti použitých kolektorů, kterou udává výrobce. Výsledky jsou zahrnuty v tab. 1. V průměrném roce měl být energetický zisk přímo na systému slunečních kolektorů cca 104 MWh, z něho mělo přijít do akumulátoru více než 92 MWh (ztráty v propojovacím systému téměř 12%) a ztráty akumulátoru do okolí cca 3,5 MWh (tedy 3,8 % energie prošlé za rok akumulátorem). Spotřeba tepla v objektu měla být necelých 128 MWh, při tom z akumulátoru odebráno cca 89 MWh, z nichž přímo využito k vytápění asi 39 MWh a zbylých 50 MWh přečerpáno tepelným čerpadlem při topném faktoru průměrně 3, tedy přes TČ dodáno celkem asi 76 MWh při spotřebě elektřiny 26 MWh. Spotřeba elektrického kotle není uváděna vůbec, ačkoliv dle propočtu uvedeného v tab. 1 by kotel musel krýt deficit ve výši 13 MWh. Spotřeba elektřiny dle projektu měla být tedy celkem 26 + 13 = 39 MWh (30,5 %) a ze solárního systému dodáno 89 MWh (69,5 %), celkem 128 MWh.
| Měsíc | Jednotky | I | II | II | IV | V | VI | VII | VIII | IX | X | XI | XII | Součet |
| Energetický nárok objektu |
[MW.h] | 22,6 | 20,9 | 17,2 | 10,5 | 4,9 | 3,5 | 9,8 | 17,2 | 21,2 | 127,8 | |||
| Energetický zisk ze SB |
[MW.h] | 2,4 | 4,4 | 9,0 | 14,2 | 18,1 | 14,4 | 14,4 | 11,3 | 7,4 | 4,9 | 2,0 | 1,4 | 104,4 |
| Energie z AKU | [MW.h] | 16,1 | 13,9 | 8,9 | 7,0 | 3,5 | 4,8 | 15,1 | 19,7 | 88,8 | ||||
| Energie z TČ | [MW.h] | 22,6 | 20,9 | 17,2 | 10,5 | 4,9 | 76,1 | |||||||
| Elektr. energie pro TČ |
[MW.h] | 6,4 | 6,9 | 8,6 | 3,5 | 1,4 | 26,9 | |||||||
| Topný faktor TČ | 3,5 | 3,0 | 2,0 | 3,0 | 3,5 | |||||||||
| Energie do AKU | [MW.h] | 2,4 | 4,4 | 9,0 | 14,2 | 18,1 | 14,4 | 14,4 | 11,3 | 3,9 | 92,4 | |||
| Ztrátová energie v AKU |
[MW.h] | 0,2 | 0,1 | 0,0 | 0,0 | 0,0 | 0,1 | 0,2 | 0,3 | 0,5 | 0,5 | 0,5 | 0,4 | 3,4 |
| Nárůst + úbytky - energie v AKU |
[MW.h] | - 13,9 |
- 9,4 |
+ 0,3 |
+ 7,1 |
+ 14,5 |
+ 14,2 |
+ 14,2 |
+ 10,9 |
+ 3,4 |
- 5,3 |
- 15,7 |
- 20,1 |
|
| Skutečný energetický stav |
[MW.h] | 9,4 | 0,0 | 0,3 | 7,5 | 22,0 | 36,3 |
50,5 |
61,5 |
64,9 64,6 |
59,3 |
43,6 |
23,4 |
|
| Nárůst + úbytky - teploty v AKU |
[MW.h] | - 11,1 |
- 7,6 |
+ 0,3 |
+ 5,6 |
+ 11,5 |
+ 11,3 |
+ 11,2 |
+ 8,6 |
+ 2,7 |
- 4,2 |
- 12,4 |
- 16,0 |
|
| Průměrná teplota v AKU |
[°C] | 18,1 |
10,5 |
10,8 |
16,4 |
28,0 |
39,3 |
50,6 |
59,3 |
62,0 62,0 |
57,7 |
45,2 |
29,2 |
3. VÝSLEDKY MONITOROVÁNÍ SYSTÉMU ZA OBDOBÍ 1999 až 2001
Vzhledem k tomu, že nebylo možné měřit průtok nemrznoucí směsi v primárním okruhu průtokoměrem P1, byla určována zachycená sluneční energie až za výměníkem tepla z měření na sekundární straně, tedy již zmenšená o ztráty tepla na primárním rozvodu a o množství tepla, které jde ze solárních kolektorů do provozních zásobníků přímo a dále o teplo dodané do ohřívače TUV. Teplo jdoucí přímo do provozních zásobníků je však zachyceno ve spotřebě tepla otopnou soustavou. Jediným skutečně z měření nezjistitelným údajem je množství sluneční energie přispívající přímo k ohřívání TUV v zásobníku 1 m3, které bylo dle spotřeby TUV v jednotlivých letech stanoveno odborným výpočtem na 3,0 až 3,2 MWh/rok. Pro vyhodnocení byly k dispozici výsledky monitorování za leden až prosinec let 1999, 2000 a 2001. Pro návaznost na minulé období byly ještě získány hodnoty za listopad a prosinec 1998, tedy zpráva zahrnuje období 38 měsíců. Kompletní vyhodnocení se však vztahuje k období roků 1999 až 2001.
3.1 Bilance systému
Základní výsledky měření a monitorování jsou uvedeny v tabulce v příloze zprávy. Ve sledovaném období bylo vytápění v provozu od ledna do začátku května a od října do prosince, průměrně 217 dnů v roce. Spotřeba energie k vytápění budovy je vyhodnocena z údaje průtokoměru P5 a rozdílu teplot T27 - T26. Po odečtení elektřiny spotřebované tepelným čerpadlem a elektrickým kotlem lze určit podíl solární energie spotřebovaný k vytápění. K tomuto výsledku je přičtena energie tepelných ztrát akumulátoru, solární energie přispívající k přípravě TUV a výsledný roční přírůstek nebo úbytek akumulované energie v zásobníku a celkový výsledek dává energii zachycenou solárním systémem. Při tom převážná část této energie (kromě již zmíněné energie jdoucí do provozních zásobníků a ohříváku TUV) je měřena na sekundární straně výměníku tepla (průtokoměr P2 a rozdíl teplot T14 - T15). V tabulce vyhodnocených dílčích výsledků v příloze zprávy je údaj energie dodané tepelným čerpadlem (3. sloupec) určen nepřímým výpočtem přes naměřenou spotřebu elektřiny pro pohon TČ, protože průtok přes výparník TČ byl vlastně neznámý (nutno přemístit průtokoměr P3 nebo čidlo T17). Toto opatření lze realizovat dodatečně.
| Rok | 1999 | 2000 | 2001 |
| Celková energie dodaná solárním systémem (MWh/r) | 108,64 | 58,21 | 61,76 |
| Energie dodaná do akumulátoru (MWh/r) | 95,71 | 83,62 | 56,72 |
| Spotřeba otopné soustavy (MWh/r) | 95,88 | 62,09 | 68,67 |
| Elektřina pro pohon TČ (MWh/r) | 9,74 | 8,37 | 12,49 |
| Elektřina spotřebovaná el. kotlem (MWh/r) | 2,56 | 2,92 | 2,55 |
| Tepelné ztráty akumulátoru (MWh/r) | 9,99 | 9,56 | 9,34 |
| Přírůstek (+) nebo úbytek (-) energie v akum. (MWh/r) | +11,86 | -5,36 | -4,21 |
| Solární příspěvek na ohřev TUV (MWh/r) | 3,2 | 3,2 | 3,0 |
| Solární energie dopadlá na kolektory (MWh/r) | 196,67 | 196,18 | 173,23 |
| Energie dopadlá na 1 m2 kolektoru (MWh/m2,r) | 1,33 | 1,327 | 1,172 |
| Energie zachycená 1 m2 kolektoru (MWh/m2,r) | 0,736 | 0,596 | 0,418 |
| Celoroční účinnost solárního systému (%) | 55,3 | 44,9 | 35,66 |
| Podíl pokrytí spotřeby tepla sluneční energií (%) | 87,6 | 82,7 | 79,0 |
3.2 Střední teplota vody v zásobníku a teplota venkovního vzduchu
Obr. 3 porovnává monitorovanou střední teplotu v zásobníku s teoretickým průběhem dle projektu (čárkovaná křivka). Skutečné teploty jsou nižší, i když roky 1999 a 2000 jsou pokládány za nadprůměrně slunečné. Pro srovnání je tenkou čarou zakreslena křivka průměrných měsíčních teplot venkovního vzduchu, která nejvíce ovlivňuje tepelné ztráty budovy. Průměrná roční teplota ve Slatiňanech byla postupně ve sledovaných letech + 8,725 °C, + 9,5 °C a + 8,1 °C. Průměrná teplota za otopné období (217 dnů) byla ve stejném pořadí roků + 3,69 °C, + 4,97 °C a + 4,0 °C. Počet denostupňů D20 odpovídá hodnotě 3540, 3262 a 3472. Nejchladnějším a nejnáročnějším na vytápění byl tedy rok 1999, což výsledky měření potvrzují.

Obr. 3: Průměrné teploty
3.3 Energie přenesená ze solárního systému do akumulátoru
V obr. 4 je porovnán skutečný zisk z kolektorové plochy se statistickým propočtem projektu. Z tohoto množství energie se kryje převážná část spotřeby energie na vytápění (87,6 %, 82,7 % a 79 % spotřeby) a tepelné ztráty akumulátoru (9,2 %, 12,2 % a 15,4 % solárních zisků). Skutečné zisky za r. 1999 jsou o cca 3,5 MWh vyšší než se v projektu počítalo pro statisticky průměrný rok. Toto zjištění, tj. že skutečné zisky převyšují výpočtové, je v rozporu s výpočtovým průběhem střední teploty v akumulátoru podle projektu, která je v celoročním průběhu vyšší než teplota naměřená. Z měření za roky 2000 a 2001 již tento rozpor nevyplývá. V roce 2000 určitě došlo k dosud nevysvětlené chybě ve snímání dat, neboť solární energie vyčíslená z měření spotřeby je mnohem nižší než energie vyhodnocená ze sekundárního okruhu výměníku tepla, tedy než energie dodaná do akumulátoru.

Obr. 4: Energie dodaná solárním systémem
3.4 Přírůstky a úbytky energie v akumulátoru
Na obr. 5 jsou znázorněny přírůstky a úbytky energie v akumulátoru po jednotlivých měsících sledovaného období. Jejich hodnoty jsou dány odečtením ztrát akumulátoru od měsíčních solárních zisků akumulátoru. Je zřejmé, že v roce 1999 byla bilance mírně aktivní (asi o 3,5 MWh), což odpovídá naměřené skutečnosti, že střední teplota vody v akumulátoru na konci prosince 1999 byla mírně vyšší než byla na začátku ledna 1999. To již neplatí v následujících dvou letech, kdy akumulátor byl na konci roku vždy o něco chladnější než na začátku roku.

Obr. 5: Přírůstky energie v zásobníku
3.5 Tepelné ztráty akumulátoru
V obr. 6 jsou vyznačeny tepelné ztráty akumulátoru v průběhu sledovaného období. Ztráty byly vyhodnocovány co nejpečlivěji - v nadzemní části po jednotlivých výškových pásmech 1 m vysokých s ohledem na stratifikaci teploty vody po výšce akumulátoru. Tepelná ztráta víkem byla určena z teploty horní vrstvy vody. Tepelná ztráta dnem akumulátoru byla stanovena z teploty vrstvy u dna akumulátoru a tvoří celoročně asi 40 % (v letech 2000 a 2001 zhruba 36 %) celkové tepelné ztráty akumulátoru. Jak již bylo uvedeno, celkové ztráty jsou zhruba 3x vyšší než bylo počítáno v projektu a představují (kromě roku 1999) více než 10 % sluneční energie přepravené do akumulátoru.

Obr. 6: Energetické ztráty akumulátoru
Využitelná energie akumulátoru jako rozdíl zisků ze solárního systému a ztrát akumulátoru je v časovém průběhu znázorněna v obr. 7.

Obr. 7: Využitelná energie zásobníku
3.6 Stratifikace teploty vody v akumulátoru
Z průběhu středních teplot vody po výšce ve vrstvách odstupňovaných po 1 m v průběhu sledovaného období je patrné, že v období, kdy je zásobník vyčerpán (březen), jsou teploty po výšce celkem vyrovnané a rozdíl mezi dnem a hladinou zásobníku nepřesahuje 2 K. Naopak při plném nabití zásobníku (konec září) dosahuje rozdíl teplot mezi hladinou a dnem cca 20 K, tj. průměrný gradient 2 K/m. Ve sledovaném období byl zásobník nejchladnější v březnu 1999 a nejteplejší v září opět roku 1999. Tomu odpovídají nejvyšší solární zisky, dosažené v r. 1999.
3.7 Teploty zeminy v okolí základu akumulátoru
Měření teplot 49 až 53 bylo zprovozněno začátkem února 1999. Čidla uložená v menší hloubce (49, 50 a 51) kopírují se zpožděním průběh průměrné teploty vzduchu, přičemž nejbližší čidlo 49 je nejvíce ovlivněno tepelnou ztrátou základem zásobníku a obvykle v prosinci se jeho teplota vyrovnává s teplotou čidel 52 a 53 (8 °C), uložených v hloubce 1,5 m.
3.8 Účinnost kolektorů
Na obr. 8 jsou vyneseny hodnoty měsíční účinnosti vyhodnocené z dat mezi 11 hod. a 13 hod. v době provozu solární soustavy. Zjištěné hodnoty leží většinou pod udávanou křivkou účinnosti výrobcem, avšak jsou zatíženy chybou vzniklou jednak nižším teplotním rozdílem teplonosné látky, jednak dopravním zpožděním (cca 20 minut), neboť jsou ze vpředu uvedených důvodů vyhodnocovány až z údajů na sekundární straně výměníku tepla v solárním okruhu. Celoroční průměrná účinnost celého solárního zařízení je vyhodnocena v tabulce 2. Na obr. 8 je znázorněn průběh dopadající a zachycené sluneční energie.

Obr. 8: Bilance solárního systému
3.9 Bilance doplňkových zdrojů
Na obr. 9 je spojnicovým grafem znázorněno pokrytí odběru tepla (PS) zdroji: solárním systémem (SS) a v součtu tepelným čerpadlem a elektrickým kotlem (TČ + EK).

Obr. 9: Krytí spotřeby tepla zdroji
4. NÁMĚTY KE ZLEPŠENÍ FUNKCE SYSTÉMU A ZVÝŠENÍ VYUŽITÍ
SLUNEČNÍ ENERGIE
Pokus o optimalizaci velikosti kolektorové plochy a velikosti sezónního akumulátoru byl učiněn ve výroční zprávě za rok 2000. Výsledky naznačují, že řešení za současných ekonomických relací je monotonní a nemá optimum. Cena vyrobené energie klesá s klesající velikostí solárního systému doplněného tepelným čerpadlem rostoucího výkonu.
Sezónní akumulaci sluneční energie lze v reálném rozsahu doporučit jen v kombinaci s tepelným čerpadlem. Pokud by například byl řešen případ demonstračního zařízení ÚSP Slatiňany bez tepelného čerpadla, musel by k dosažení stejného energetického účinku být akumulátor 2x větší a kolektorové pole by mělo plochu 2,5x větší. Pro orientační volbu prvků obdobných zařízení menších výkonů může posloužit diagram na obr. 10.

Obr. 10: Orientační volba prvků zdroje pro objekty s výpočtovou tepelnou ztrátou do 50 kW
Tepelné ztráty akumulátoru lze zmenšit zvětšením tepelné izolace akumulátoru. Realizace by však byla velmi nákladná a úspory energie by měly dlouhou dobu návratnosti. Například pro zmenšení tepelných ztrát akumulátoru o 15 % (tedy zhruba z 9,4 na 8,0 MWh/r) by bylo nutno zvětšit tloušťku tepelné izolace nejméně o 72 % (tedy o 500 mm, ze 700 na 1200 mm).
Velký význam pro další ověřování podobných systémů a pro výuku na všech stupních škol by mělo pokračování měření a monitorování systému, zavedení měřidel do okruhu TUV a zpřesnění celého měření převedením údajů průtokoměru P1 v primárním solárním okruhu do monitorovacího systému.
Propagaci využívání sluneční energie by velmi prospělo také zpřístupnění získaných výsledků školám a široké veřejnosti a umožnění odborných exkursí na místo.